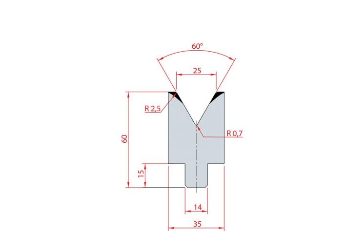
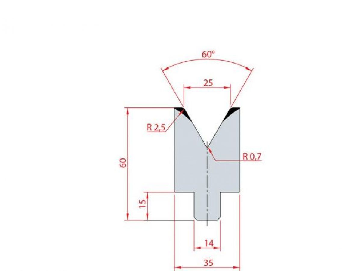
Cối chấn 1V 25 α=60º H60 Max. T/m=100

Mã sản phẩm3199
Giá:Liên hệ
Tình trạngCòn hàng
- +

Nhắn tin Zalo

Trở lại

Sản phẩm liên quan